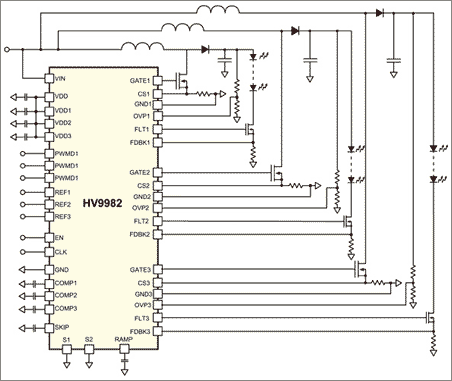
Typical application circuit for HV9982 Home