The Global
Information Hub for
Lighting Technologies
and Design
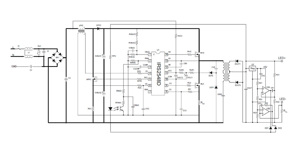
IR's new IRS2548D schematics for a typical applicationhttps://www.led-professional.com/media/products_led-driver-ics-modules_ir2019s-irs2548d-led-control-ic-increases-efficiency-simplifies-design-and-reduces-overall-system-cost_irf-new-irs2548d-led-driver-provides-pfc-and-half/viewhttps://www.led-professional.com/media/products_led-driver-ics-modules_ir2019s-irs2548d-led-control-ic-increases-efficiency-simplifies-design-and-reduces-overall-system-cost_irf-new-irs2548d-led-driver-provides-pfc-and-half/@@images/image-1200-a0a7dc7e2b9f2c9e4c0e1546cae0d69d.jpeg
IR's new IRS2548D schematics for a typical application