The Global
Information Hub for
Lighting Technologies
and Design
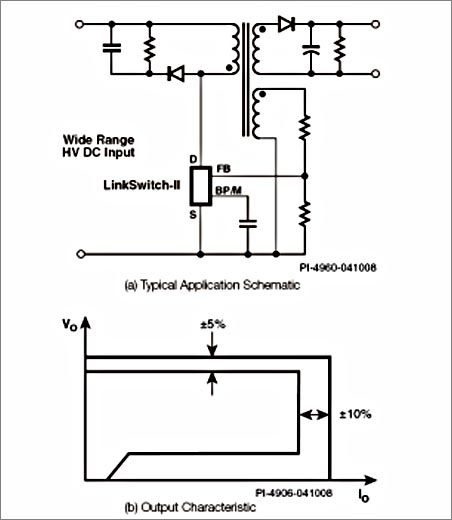
POWER INTEGRATION LinkSwitch(R)-II typical application.https://www.led-professional.com/media/products_led-driver-ics-modules_new-linkswitch-r-ii-design-ideas-from-power-integrations-make-driving-leds-simple_powint_linkswitch_typapp-jpg/viewhttps://www.led-professional.com/media/products_led-driver-ics-modules_new-linkswitch-r-ii-design-ideas-from-power-integrations-make-driving-leds-simple_powint_linkswitch_typapp-jpg/@@images/image-1200-725964327ab2160d849529017a0f2d6b.jpeg
POWER INTEGRATION LinkSwitch(R)-II typical application.