The Global
Information Hub for
Lighting Technologies
and Design
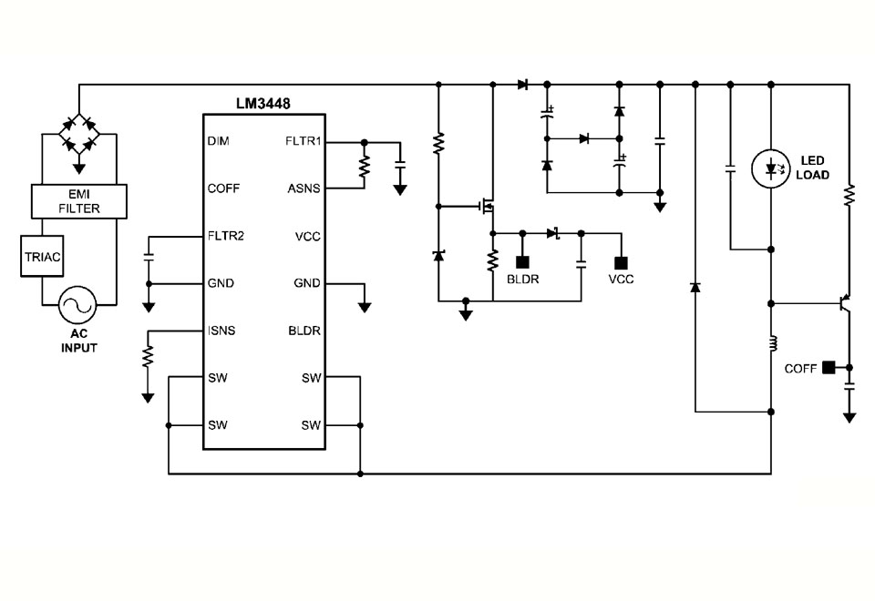
Typical application circuit of the LM3448 that is designed to reducing design complexity while improving LED driver efficiencyhttps://www.led-professional.com/media/products_led-driver-ics-modules_ti-introduces-two-phase-dimmable-offline-led-lighting-drivers_texas-instruments-lm3448-typical-application/viewhttps://www.led-professional.com/media/products_led-driver-ics-modules_ti-introduces-two-phase-dimmable-offline-led-lighting-drivers_texas-instruments-lm3448-typical-application/@@images/image-1200-16747dd36b3249288841544c2f50805e.jpeg
Typical application circuit of the LM3448 that is designed to reducing design complexity while improving LED driver efficiency