The Global
Information Hub for
Lighting Technologies
and Design
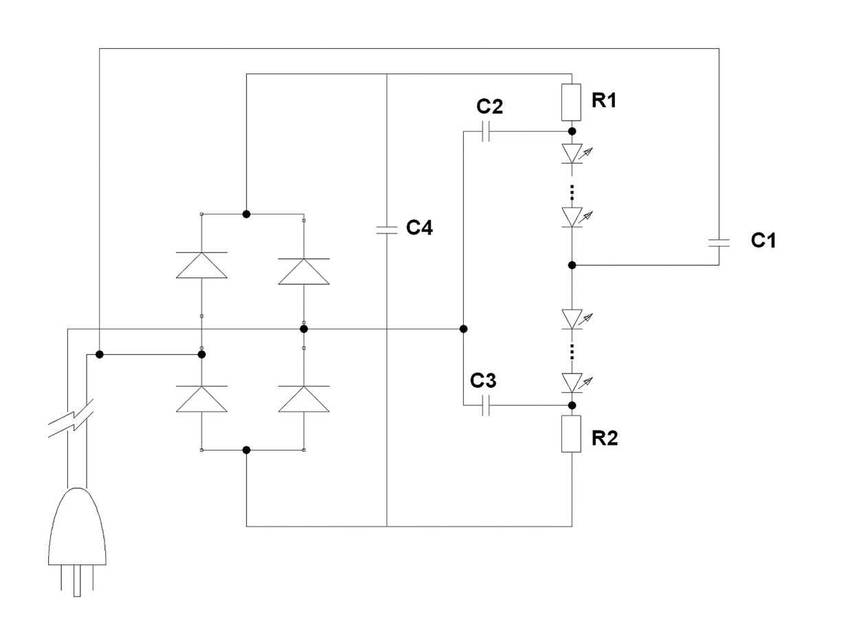
lpr#47-P.Schackle-F6A driverless AC LED light engine circuit for under 5 Whttps://www.led-professional.com/resources/pics/Fig.6.jpg/viewhttps://www.led-professional.com/resources/pics/Fig.6.jpg/@@images/image-1200-0960993ad509a27c75b858e375096f7b.jpeg
lpr#47-P.Schackle-F6
A driverless AC LED light engine circuit for under 5 W