Power Integrations' LYTSwitch LED-Driver ICs Improve Performance of Commercial Lighting and Consumer Bulbs
Power Integrations, the leader in high-efficiency, high-reliability LED driver ICs, today introduced its latest family of LED-driver ICs, aimed at consumer, commercial and industrial lighting applications. The new LYTSwitch™ IC family delivers tight regulation and high efficiency for tube replacements and high-bay lighting, while providing exceptional performance in TRIAC-dimmable bulb applications.
Product Highlights: 
• Better than ±5% CC regulation 
• TRIAC dimmable to less than 5% output 
• Fast start-up 
 o <250 ms at full brightness 
 o <1s at 10% brightness 
• High power factor >0.9 
• Easily meets EN61000-3-2 
 o Less than 10% THD in optimized designs 
• Up to 92% efficient
• 132 kHz switching frequency for small magnetics
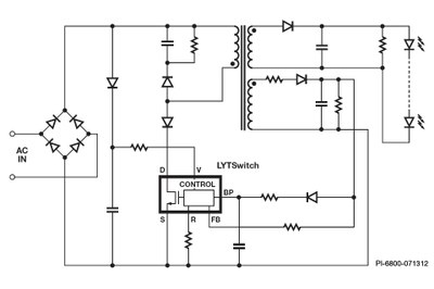
LYTSwitch ICs combine PFC and CC into a single switching stage, increasing driver efficiency to more than 90% in typical applications, delivering a power factor greater than 0.95 and easily meeting EN61000-3-2C requirements for total harmonic distortion (THD). Optimized designs deliver less than 10% THD. The combined single-stage converter topology also eliminates high-voltage electrolytic bulk capacitors, leading to greatly extended driver lifetimes even in high ambient temperatures. Accurate primary-side control yields true tight CC performance with better than +/- 5 percent regulation across load, a wide temperature range and production variation enabling tighter design margins and reduced system cost. High switching frequency of 132 kHz means that small, low-cost magnetics can be used in space-constrained bulb applications, while frequency jittering ensures reduced EMI filter requirements. LYTSwitch devices also offer all the usual safety features common to Power Integrations products, including overvoltage, overcurrent and over-temperature protection. 
The LYTSwitch family of LED-driver ICs enables excellent dimming performance when used with leading-edge and trailing-edge TRIAC dimmers, even at low conduction angles, easily complying with NEMA SSL6. Start-up is very fast, typically less than 500 ms, even when dimmed to less than 10% output. Bulbs using LYTSwitch ICs will turn on at almost the same dimming angle as it was at turn-off, virtually eliminating pop-on. Dead band in TRIAC dimming is also eliminated as the LYTSwitch controller ensures that dimming occurs as soon as the dimmer is operated. 
Comments Andrew Smith, senior product marketing manager for Power Integrations: "LYTSwitch ICs enable small, longer-lasting lamps for a wide range of applications including consumer bulbs, commercial lighting and T8 tubes, industrial, high-bay and exterior lighting. Tight CC performance across a wide range of operating conditions greatly simplifies design and reduces cost while ensuring that lamps deliver uniform light output." 
LYTSwitchIC samples in eSIP-7C (E package) and eSIP-7F (L package) are available now, priced from $0.70 to $1.60 in 10,000-piece quantities. Reference designs, including a PAR-38 lamp design developed in partnership with Cree, are downloadable at http://www.powerint.com/en/design-support/reference-designs/design-examples. The product datasheet and product introduction videos are also available on the Power Integrations website at http://www.powerint.com/products/lytswitch-family/lytswitch. 
About Power Integrations:
Power Integrations is the leading supplier of high-voltage integrated circuits used in energy-efficient power conversion. The company's innovative technology enables compact, energy-efficient power supplies in a wide range of electronic products, in AC-DC, DC-DC, and LED lighting applications. Since its introduction in 1998, Power Integrations' EcoSmart™ energy-efficiency technology has saved an estimated $5 billion of standby energy waste and prevented millions of tons of CO2 emissions. The company's Green Room web site provides a wealth of information about "energy vampires" and the issue of standby energy waste, along with a comprehensive guide to energy-efficiency standards around the world. Reflecting the environmental benefits of EcoSmart technology, Power Integrations' stock is included in The Cleantech Index®and the NASDAQ® Clean Edge® Green Energy Index. For more information, please visit www.powerint.com.
 
    
   
    
  